PIR人感センサースイッチ 単色用 調光器 制御 ディマー




納期について
商品の発送営業日に関して、14:00までのご注文及びご入金の確定で、最短営業日(当日発送)〜3営業日以内での出荷が出来るよう、努めさせていただきます。※ご注文内容や数量によっては、納期のご相談のご連絡をさせていただくことがございますので、あらかじめご了承ください。
ご注文・お届けについて
最大出力電力 | 12V:96W / 60V:480W |
|---|---|
最大負荷電流 | 8A |
使用電圧 | DC 12V / DC 60V |
調光方式 | PWM方式 |
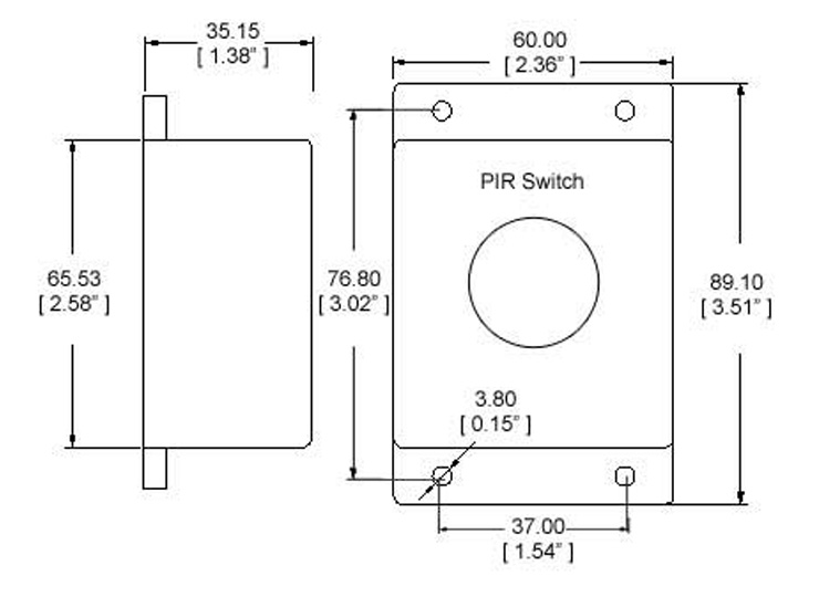
寸法 | L89mm × W59mm × H35mm |
検出距離 | 120° / 5〜8メートル |













